| Status de disponibilidade: | |
|---|---|
| Quantidade: | |
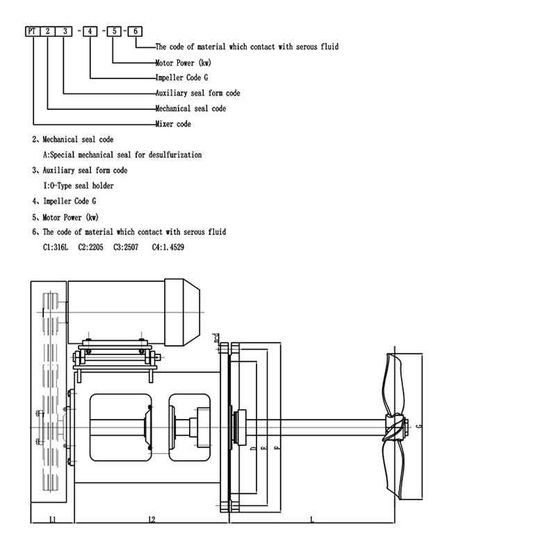
Introdução do misturador de entrada lateral tipo PT-Belt:
Uso de dessulfurização de gases de combustão: evita principalmente a fixação de sólidos no tanque de polpa e garante que a polpa possa ser transportada uniformemente para o próximo processo.Fortalecer a difusão do ar oxidado, promover também a oxidação do sulfito de cálcio, o crescimento do cristal de gesso e a dissolução do calcário.A utilização deste equipamento traz muitas vantagens, como pequeno investimento, operação conveniente, alta eficiência, baixo consumo de energia, baixa eletricidade estática gerada em médio e garantia de qualidade do produto.
Este tipo de misturador também pode ser usado para tratamento de águas residuais e indústria de fabricação de papel.
Material
Como o misturador de entrada do lado de dessulfuração é projetado para o programa?
O agitador de entrada do lado de dessulfuração é diferente de outros equipamentos de mistura.Comparado com outros equipamentos de mistura, o misturador de entrada lateral FGD possui seu próprio procedimento de design exclusivo.Abaixo, vamos dar uma olhada nisso juntos.
1. Ao projetar o agitador de entrada lateral de dessulfurização, podemos selecionar os requisitos de torque ou potência de várias velocidades diferentes de acordo com o valor D/DT existente do equipamento do usuário e os requisitos do cliente para tempo de mistura e grau de agitação.Entre eles, o grau de agitação é limitado pela diferença na viscosidade do material, pela diferença na gravidade específica e se não é um fluido newtoniano.
2. Selecione uma altura razoável de instalação do impulsor e combine o equipamento para estimar o comprimento aproximado do eixo do agitador.
3. Estime a potência razoável do motor.
4, Consulte o desempenho existente, como consumo de energia do impulsor, redutor, eixo de saída, suportes, etc., selecione o agitador que pode atender aos três primeiros requisitos.
5. De acordo com condições como a velocidade da ponta da lâmina, determine a velocidade de rotação mais adequada, otimize o projeto e verifique e analise a dinâmica e a resistência do sistema de eixo de acordo com as condições determinadas.
Hot Tags: agitadores de entrada lateral para dessulfurização, China, fabricantes, fornecedores, fábrica, comprar, personalizado, cotação, fabricado na China
Introdução do misturador de entrada lateral tipo PT-Belt:
Uso de dessulfurização de gases de combustão: evita principalmente a fixação de sólidos no tanque de polpa e garante que a polpa possa ser transportada uniformemente para o próximo processo.Fortalecer a difusão do ar oxidado, promover também a oxidação do sulfito de cálcio, o crescimento do cristal de gesso e a dissolução do calcário.A utilização deste equipamento traz muitas vantagens, como pequeno investimento, operação conveniente, alta eficiência, baixo consumo de energia, baixa eletricidade estática gerada em médio e garantia de qualidade do produto.
Este tipo de misturador também pode ser usado para tratamento de águas residuais e indústria de fabricação de papel.
Material
Como o misturador de entrada do lado de dessulfuração é projetado para o programa?
O agitador de entrada do lado de dessulfuração é diferente de outros equipamentos de mistura.Comparado com outros equipamentos de mistura, o misturador de entrada lateral FGD possui seu próprio procedimento de design exclusivo.Abaixo, vamos dar uma olhada nisso juntos.
1. Ao projetar o agitador de entrada lateral de dessulfurização, podemos selecionar os requisitos de torque ou potência de várias velocidades diferentes de acordo com o valor D/DT existente do equipamento do usuário e os requisitos do cliente para tempo de mistura e grau de agitação.Entre eles, o grau de agitação é limitado pela diferença na viscosidade do material, pela diferença na gravidade específica e se não é um fluido newtoniano.
2. Selecione uma altura razoável de instalação do impulsor e combine o equipamento para estimar o comprimento aproximado do eixo do agitador.
3. Estime a potência razoável do motor.
4, Consulte o desempenho existente, como consumo de energia do impulsor, redutor, eixo de saída, suportes, etc., selecione o agitador que pode atender aos três primeiros requisitos.
5. De acordo com condições como a velocidade da ponta da lâmina, determine a velocidade de rotação mais adequada, otimize o projeto e verifique e analise a dinâmica e a resistência do sistema de eixo de acordo com as condições determinadas.
Hot Tags: agitadores de entrada lateral para dessulfurização, China, fabricantes, fornecedores, fábrica, comprar, personalizado, cotação, fabricado na China