| Status de disponibilidade: | |
|---|---|
| Quantidade: | |
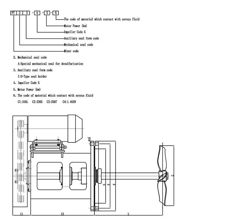
Introdução do misturador de entrada lateral tipo PT-Belt:
Uso de dessulfurização de gases de combustão: evita principalmente a fixação de sólidos no tanque de polpa e garante que a polpa possa ser transportada uniformemente para o próximo processo.Fortalecer a difusão do ar oxidado, promover também a oxidação do sulfito de cálcio, o crescimento do cristal de gesso e a dissolução do calcário.A utilização deste equipamento traz muitas vantagens, como pequeno investimento, operação conveniente, alta eficiência, baixo consumo de energia, baixa eletricidade estática gerada em médio e garantia de qualidade do produto.
Este tipo de misturador também pode ser usado para tratamento de águas residuais e indústria de fabricação de papel.
Material
O que você deve prestar atenção ao projetar o agitador lateral?
1. Determine a finalidade da mistura do agitador lateral: Se for realizada mistura líquido-líquido, suspensão sólido-líquido, dispersão gás-líquido ou líquido-líquido, se é necessário obter transferência de calor, absorção, extração, dissolução, cristalização, etc. O tipo de pá de agitação é selecionado de acordo com as características do processo.
2. Calcule a potência da operação de mistura: o movimento necessário quando o processo de mistura é realizado.
O cálculo do nível de potência é complicado e está relacionado ao diâmetro do tanque, ao diâmetro da lama, à largura da lâmina, ao ângulo, ao número de camadas, à viscosidade, ao número de defletores e ao tamanho do defletor.
3. Selecione a potência do motor do agitador tipo side-in: o valor calculado após a eficiência deve ser maior ou igual a 1,5 vezes a potência de operação de agitação.
4. Determinação do número mínimo de rotações agitadas na rua: Este número de rotações é o número mínimo de rotações para efeitos de mistura e não o número crítico de rotações do eixo do agitador.
5. De acordo com a seleção de potência e verifique a rigidez e resistência do eixo de mistura e da pá.
6. Ao usar o redutor de velocidade, o fator de utilização do redutor e a capacidade de carga do redutor também devem ser considerados.
7. Para o eixo delgado, considere adicionar suporte, suporte intermediário ou inferior.
8, considere também o método de instalação (entrada superior ou entrada inferior ou entrada lateral), que é determinado primeiro.
9, suporte de design.
10. O agitador do tipo lateral é vedado (enchimento ou vedação da máquina).
Hot Tags: misturador de entrada lateral fgd, China, fabricantes, fornecedores, fábrica, comprar, personalizado, cotação, feito na China
Introdução do misturador de entrada lateral tipo PT-Belt:
Uso de dessulfurização de gases de combustão: evita principalmente a fixação de sólidos no tanque de polpa e garante que a polpa possa ser transportada uniformemente para o próximo processo.Fortalecer a difusão do ar oxidado, promover também a oxidação do sulfito de cálcio, o crescimento do cristal de gesso e a dissolução do calcário.A utilização deste equipamento traz muitas vantagens, como pequeno investimento, operação conveniente, alta eficiência, baixo consumo de energia, baixa eletricidade estática gerada em médio e garantia de qualidade do produto.
Este tipo de misturador também pode ser usado para tratamento de águas residuais e indústria de fabricação de papel.
Material
O que você deve prestar atenção ao projetar o agitador lateral?
1. Determine a finalidade da mistura do agitador lateral: Se for realizada mistura líquido-líquido, suspensão sólido-líquido, dispersão gás-líquido ou líquido-líquido, se é necessário obter transferência de calor, absorção, extração, dissolução, cristalização, etc. O tipo de pá de agitação é selecionado de acordo com as características do processo.
2. Calcule a potência da operação de mistura: o movimento necessário quando o processo de mistura é realizado.
O cálculo do nível de potência é complicado e está relacionado ao diâmetro do tanque, ao diâmetro da lama, à largura da lâmina, ao ângulo, ao número de camadas, à viscosidade, ao número de defletores e ao tamanho do defletor.
3. Selecione a potência do motor do agitador tipo side-in: o valor calculado após a eficiência deve ser maior ou igual a 1,5 vezes a potência de operação de agitação.
4. Determinação do número mínimo de rotações agitadas na rua: Este número de rotações é o número mínimo de rotações para efeitos de mistura e não o número crítico de rotações do eixo do agitador.
5. De acordo com a seleção de potência e verifique a rigidez e resistência do eixo de mistura e da pá.
6. Ao usar o redutor de velocidade, o fator de utilização do redutor e a capacidade de carga do redutor também devem ser considerados.
7. Para o eixo delgado, considere adicionar suporte, suporte intermediário ou inferior.
8, considere também o método de instalação (entrada superior ou entrada inferior ou entrada lateral), que é determinado primeiro.
9, suporte de design.
10. O agitador do tipo lateral é vedado (enchimento ou vedação da máquina).
Hot Tags: misturador de entrada lateral fgd, China, fabricantes, fornecedores, fábrica, comprar, personalizado, cotação, feito na China