| Status de disponibilidade: | |
|---|---|
| Quantidade: | |
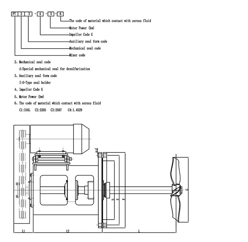
Misturador de entrada lateral para Dessulfurização de gases de combustão(FGD)
O agitador, como parte de uma planta de dessulfurização de gases de combustão (FGD), desempenha um papel crucial na operação geral da planta.As plantas FGD são projetadas para remover dióxido de enxofre (SO2) dos gases de combustão emitidos por usinas de energia e processos industriais.
O agitador é geralmente composto de motor, redutor, rolamento e eixo de agitação e impulsor, etc., que pode se adaptar a diferentes sistemas de dessulfurização de gases de combustão e condições operacionais.
Detalhes do produto
| Marca do motor | Opcional (ABS/SEW/SIEMENS/Doméstico de alta qualidade) |
| Marca do Redutor | Opcional (ABS/SEW/FALK/REXNORD/Doméstico de alta qualidade) |
| Potência do motor | 0,37~110KW |
| Dia.do eixo | 30~500mm |
| Comprimento do eixo | 200~30000mm |
| Velocidade de rotação | 0,2 ~ 600 rpm |
| Impulsor | Impulsor tradicional eficiente |
| Material | Aço carbono, liga à base de níquel, aços duplex e super duplex, titânio e ligas de titânio, revestimentos de borracha, PO, PE, PP, PTFE |
Aplicativo:
O agitador é amplamente utilizado no processo de dessulfurização de gases de combustão.Por exemplo,
1. Na dessulfuração úmida dos gases de combustão, os agitadores podem ajudar a misturar o dessulfurizador e os gases de combustão, melhorando assim a eficiência da dessulfurização.
2. Na dessulfurização de gases de combustão secos, os agitadores podem ajudar a misturar e dispersar o dessulfurizador, melhorando assim a eficiência da dessulfurização.
3. Pode ajudar engenheiros e técnicos a otimizar e automatizar o processo de dessulfurização, melhorar a eficiência e o rendimento da dessulfurização.
4. Pode reduzir a quantidade de dessulfurizador, reduzir o custo da dessulfuração e fazer contribuições para a causa da proteção ambiental.
Clique aqui para enviar inquérito!
Os misturadores podem ser personalizados de acordo com suas necessidades!
Agitadores Keheng usam embalagem completa em caixa de madeira, depois medição, pesagem, etapas de reforço na fábrica, qualificado no armazém portuário específico para inspeção, verificação camada por camada.
Os métodos de entrega da Keheng no exterior são geralmente CIF, CFR ou FOB, o que garante a entrega das mercadorias no prazo de um mês a um mês e meio após o recebimento do pagamento antecipado dos clientes.
SERVIÇO DE CAMPO
KEHENG tem quase 30 anos de experiência.Nossa empresa pode fornecer diagnósticos e reparos em campo.A equipe técnica fornecerá diversas opções de manutenção no local para auxiliar em suas operações de mixagem.
Instalação: De acordo com especificações do cliente
Consultoria e reparo no local: KEHENG fornece serviços de diagnóstico de reparo no local.Se o problema não puder ser resolvido no local, o equipamento poderá ser enviado de volta ao nosso Departamento de Inspeção e Reparo.
Manutenção preventiva: Todas as máquinas devem passar por uma inspeção rigorosa antes de saírem.A KEHENG fornecerá testes de diagnóstico e benchmark para garantir o desempenho máximo da solução e do equipamento de mistura.
Outro serviço: KEA HENG pode fornecer novas soluções de mistura e equipamentos para o seu Projeto de Reconstrução.
SERVIÇO DE REPARO
KEHENG fornece a análise e opções mais abrangentes para reparar drives de mixer de primeira linha, o Programa de Inspeção e Reparo oferece:
1. Maior confiabilidade e confiabilidade
2. Reparos de alta qualidade atendendo especificações rigorosas
3. Prolongou a vida útil do seu equipamento
Todas as peças da unidade do misturador são cuidadosamente limpas e inspecionadas para determinar a verdadeira causa raiz da falha.Relatórios detalhados são fornecidos juntamente com opções de reparo em níveis.Os clientes escolhem os reparos apropriados para suas necessidades operacionais.As garantias estão disponíveis dependendo da opção de reparo escolhida.
Problemas comuns que podem ser remediados incluem:
1. Fadiga Mecânica
2. Condições perturbadoras
3. Carga de choque
4. Mudança de processo
5. Equilíbrio do impulsor
ATENDIMENTO AO CLIENTE
1. Todos os clientes KEHENG receberão suporte e sugestões antes e depois das vendas.
2. O serviço prestado pela KEHENG visa ajudar o cliente a escolher os produtos mais adequados.
3. KEHENG ajuda os clientes a usar o produto corretamente: PLANEJAMENTO, INSTALAÇÃO, TREINAMENTO, REMOÇÃO DE PROBLEMAS, MANUTENÇÃO E REPAROS, RENOVAÇÃO E MODERMIZAÇÃO.
4. Oferta KEHENG: Fornecimento de peças de reposição, desenvolvimento técnico e a mais recente tecnologia disponível, otimização de estoque do cliente e recomendações de peças de reposição.
SUPORTE TÉCNICO
A KEHENG possui uma equipe completa de engenheiros de aplicação com vasta experiência e amplo conhecimento.Nossa equipe técnica é composta por engenheiros de suporte técnico, engenheiros de design e desenvolvimento de produtos.Eles têm o conhecimento e a habilidade especializados para fornecer serviços e conselhos ágeis e confiáveis.Eles estarão em conjunto com engenheiros de vendas para completar a comunicação.Os engenheiros de aplicação podem especificar o tipo de acionamento, a relação de acionamento, os requisitos de montagem do motor, os requisitos de montagem do acionamento, itens especiais como selos mecânicos e motores, eixo do agitador, cubo do impulsor e detalhes da lâmina do impulsor.
Se necessário, a KEHENG pode apoiá-lo nos seguintes treinamentos e instruções para qualificar e familiarizar sua equipe com as características do equipamento KEHENG específico.
1. Treinamento operacional
2. Treinamento de manutenção
3. Treinamento de processos
JiangSu KeHeng Petrochemical & Electrical Machinery Co., Ltd foi fundada em 1989. É uma empresa de alta tecnologia, especializada em P&D profissional, design, fabricação e instalação.Principalmente engajado em Forno de aquecimento petroquímico, sistema de recuperação de calor residual, equipamento de dessulfuração de usina, sistema de tratamento de águas residuais, misturador etc. Produtos vendidos em toda a China e exportados para o Sudeste Asiático, Europa, África, Oriente Médio, Japão, Índia, Cazaquistão, Turquia e muitos outros países.
KeHeng tem Centro de P&D independente e perfeito Teste de produto, inspecionando equipamento. Com anos de inovação constante, Foi premiado com mais de 30 Utilitário modelo patentes e 5 patentes de invenção pela Secretaria Estadual de Propriedade Intelectual. Até agora, KeHeng tem tornar-se um fornecedor qualificado no elo de fornecimento de várias grandes empresas e grupos industriais, por exemplo, PetroChina, Sinopec, CNOOC etc.
Ocupando o Mercado com Qualidade de Produto, Conquistando o Cliente com Reputação Corporativa
Integridade - Nossa base de apoio;Desenvolvimento- A eterna busca de KeHeng.
Qualidade do produto
Todos os nossos misturadores são fabricados em instalações especializadas e personalizadas de acordo com os padrões de qualidade ISO9001 e utilizam apenas componentes de alta qualidade em sua construção.
Design personalizado
Nossa equipe técnica profissional projetará o misturador mais adequado de acordo com sua necessidade, que pode atingir o máximo valor em uso.
Pprojeto Mgerenciamento
Atribuímos gerentes de projeto dedicados para garantir que todos os aspectos da fabricação, montagem e controle de qualidade progridam para atender às especificações individuais do cliente.
Atendimento ao Cliente
Todos os clientes KEHENG receberão suporte e sugestões antes e depois das vendas.Ajudamos os clientes a usar o produto corretamente: PLANEJE、INSTALAÇÃO、TREINAMENTO、REMOÇÃO DE PROBLEMAS、MANUTENÇÃO E REPAROS、RENOVAÇÃO E MODERMIZAÇÃO.
P: Você é uma empresa comercial ou fabricante?
R: Nós somos fabricantes.Nossa fábrica está em Jiangsu. P: Como personalizar agitadores e misturadores? R: Você pode nos enviar parâmetros de aplicação ou preencher o formulário que fornecemos, então selecionaremos ou projetaremos o produto que melhor funciona para você e sua empresa. P: Quanto tempo é o prazo de produção? R: Normalmente 30 dias.Se você tiver uma marca de motor específica para escolher, o prazo de entrega pode variar. P: Sobre a garantia do produto? R: Normalmente, oferecemos garantia de 1 ano para os produtos que foram vendidos, mas também podemos fornecer serviço vitalício quando você precisar para manter um relacionamento de longo prazo com você.
Misturador de entrada lateral para Dessulfurização de gases de combustão(FGD)
O agitador, como parte de uma planta de dessulfurização de gases de combustão (FGD), desempenha um papel crucial na operação geral da planta.As plantas FGD são projetadas para remover dióxido de enxofre (SO2) dos gases de combustão emitidos por usinas de energia e processos industriais.
O agitador é geralmente composto de motor, redutor, rolamento e eixo de agitação e impulsor, etc., que pode se adaptar a diferentes sistemas de dessulfurização de gases de combustão e condições operacionais.
Detalhes do produto
| Marca do motor | Opcional (ABS/SEW/SIEMENS/Doméstico de alta qualidade) |
| Marca do Redutor | Opcional (ABS/SEW/FALK/REXNORD/Doméstico de alta qualidade) |
| Potência do motor | 0,37~110KW |
| Dia.do eixo | 30~500mm |
| Comprimento do eixo | 200~30000mm |
| Velocidade de rotação | 0,2 ~ 600 rpm |
| Impulsor | Impulsor tradicional eficiente |
| Material | Aço carbono, liga à base de níquel, aços duplex e super duplex, titânio e ligas de titânio, revestimentos de borracha, PO, PE, PP, PTFE |
Aplicativo:
O agitador é amplamente utilizado no processo de dessulfurização de gases de combustão.Por exemplo,
1. Na dessulfuração úmida dos gases de combustão, os agitadores podem ajudar a misturar o dessulfurizador e os gases de combustão, melhorando assim a eficiência da dessulfurização.
2. Na dessulfurização de gases de combustão secos, os agitadores podem ajudar a misturar e dispersar o dessulfurizador, melhorando assim a eficiência da dessulfurização.
3. Pode ajudar engenheiros e técnicos a otimizar e automatizar o processo de dessulfurização, melhorar a eficiência e o rendimento da dessulfurização.
4. Pode reduzir a quantidade de dessulfurizador, reduzir o custo da dessulfuração e fazer contribuições para a causa da proteção ambiental.
Clique aqui para enviar inquérito!
Os misturadores podem ser personalizados de acordo com suas necessidades!
Agitadores Keheng usam embalagem completa em caixa de madeira, depois medição, pesagem, etapas de reforço na fábrica, qualificado no armazém portuário específico para inspeção, verificação camada por camada.
Os métodos de entrega da Keheng no exterior são geralmente CIF, CFR ou FOB, o que garante a entrega das mercadorias no prazo de um mês a um mês e meio após o recebimento do pagamento antecipado dos clientes.
SERVIÇO DE CAMPO
KEHENG tem quase 30 anos de experiência.Nossa empresa pode fornecer diagnósticos e reparos em campo.A equipe técnica fornecerá diversas opções de manutenção no local para auxiliar em suas operações de mixagem.
Instalação: De acordo com especificações do cliente
Consultoria e reparo no local: KEHENG fornece serviços de diagnóstico de reparo no local.Se o problema não puder ser resolvido no local, o equipamento poderá ser enviado de volta ao nosso Departamento de Inspeção e Reparo.
Manutenção preventiva: Todas as máquinas devem passar por uma inspeção rigorosa antes de saírem.A KEHENG fornecerá testes de diagnóstico e benchmark para garantir o desempenho máximo da solução e do equipamento de mistura.
Outro serviço: KEA HENG pode fornecer novas soluções de mistura e equipamentos para o seu Projeto de Reconstrução.
SERVIÇO DE REPARO
KEHENG fornece a análise e opções mais abrangentes para reparar drives de mixer de primeira linha, o Programa de Inspeção e Reparo oferece:
1. Maior confiabilidade e confiabilidade
2. Reparos de alta qualidade atendendo especificações rigorosas
3. Prolongou a vida útil do seu equipamento
Todas as peças da unidade do misturador são cuidadosamente limpas e inspecionadas para determinar a verdadeira causa raiz da falha.Relatórios detalhados são fornecidos juntamente com opções de reparo em níveis.Os clientes escolhem os reparos apropriados para suas necessidades operacionais.As garantias estão disponíveis dependendo da opção de reparo escolhida.
Problemas comuns que podem ser remediados incluem:
1. Fadiga Mecânica
2. Condições perturbadoras
3. Carga de choque
4. Mudança de processo
5. Equilíbrio do impulsor
ATENDIMENTO AO CLIENTE
1. Todos os clientes KEHENG receberão suporte e sugestões antes e depois das vendas.
2. O serviço prestado pela KEHENG visa ajudar o cliente a escolher os produtos mais adequados.
3. KEHENG ajuda os clientes a usar o produto corretamente: PLANEJAMENTO, INSTALAÇÃO, TREINAMENTO, REMOÇÃO DE PROBLEMAS, MANUTENÇÃO E REPAROS, RENOVAÇÃO E MODERMIZAÇÃO.
4. Oferta KEHENG: Fornecimento de peças de reposição, desenvolvimento técnico e a mais recente tecnologia disponível, otimização de estoque do cliente e recomendações de peças de reposição.
SUPORTE TÉCNICO
A KEHENG possui uma equipe completa de engenheiros de aplicação com vasta experiência e amplo conhecimento.Nossa equipe técnica é composta por engenheiros de suporte técnico, engenheiros de design e desenvolvimento de produtos.Eles têm o conhecimento e a habilidade especializados para fornecer serviços e conselhos ágeis e confiáveis.Eles estarão em conjunto com engenheiros de vendas para completar a comunicação.Os engenheiros de aplicação podem especificar o tipo de acionamento, a relação de acionamento, os requisitos de montagem do motor, os requisitos de montagem do acionamento, itens especiais como selos mecânicos e motores, eixo do agitador, cubo do impulsor e detalhes da lâmina do impulsor.
Se necessário, a KEHENG pode apoiá-lo nos seguintes treinamentos e instruções para qualificar e familiarizar sua equipe com as características do equipamento KEHENG específico.
1. Treinamento operacional
2. Treinamento de manutenção
3. Treinamento de processos
JiangSu KeHeng Petrochemical & Electrical Machinery Co., Ltd foi fundada em 1989. É uma empresa de alta tecnologia, especializada em P&D profissional, design, fabricação e instalação.Principalmente engajado em Forno de aquecimento petroquímico, sistema de recuperação de calor residual, equipamento de dessulfuração de usina, sistema de tratamento de águas residuais, misturador etc. Produtos vendidos em toda a China e exportados para o Sudeste Asiático, Europa, África, Oriente Médio, Japão, Índia, Cazaquistão, Turquia e muitos outros países.
KeHeng tem Centro de P&D independente e perfeito Teste de produto, inspecionando equipamento. Com anos de inovação constante, Foi premiado com mais de 30 Utilitário modelo patentes e 5 patentes de invenção pela Secretaria Estadual de Propriedade Intelectual. Até agora, KeHeng tem tornar-se um fornecedor qualificado no elo de fornecimento de várias grandes empresas e grupos industriais, por exemplo, PetroChina, Sinopec, CNOOC etc.
Ocupando o Mercado com Qualidade de Produto, Conquistando o Cliente com Reputação Corporativa
Integridade - Nossa base de apoio;Desenvolvimento- A eterna busca de KeHeng.
Qualidade do produto
Todos os nossos misturadores são fabricados em instalações especializadas e personalizadas de acordo com os padrões de qualidade ISO9001 e utilizam apenas componentes de alta qualidade em sua construção.
Design personalizado
Nossa equipe técnica profissional projetará o misturador mais adequado de acordo com sua necessidade, que pode atingir o máximo valor em uso.
Pprojeto Mgerenciamento
Atribuímos gerentes de projeto dedicados para garantir que todos os aspectos da fabricação, montagem e controle de qualidade progridam para atender às especificações individuais do cliente.
Atendimento ao Cliente
Todos os clientes KEHENG receberão suporte e sugestões antes e depois das vendas.Ajudamos os clientes a usar o produto corretamente: PLANEJE、INSTALAÇÃO、TREINAMENTO、REMOÇÃO DE PROBLEMAS、MANUTENÇÃO E REPAROS、RENOVAÇÃO E MODERMIZAÇÃO.
P: Você é uma empresa comercial ou fabricante?
R: Nós somos fabricantes.Nossa fábrica está em Jiangsu. P: Como personalizar agitadores e misturadores? R: Você pode nos enviar parâmetros de aplicação ou preencher o formulário que fornecemos, então selecionaremos ou projetaremos o produto que melhor funciona para você e sua empresa. P: Quanto tempo é o prazo de produção? R: Normalmente 30 dias.Se você tiver uma marca de motor específica para escolher, o prazo de entrega pode variar. P: Sobre a garantia do produto? R: Normalmente, oferecemos garantia de 1 ano para os produtos que foram vendidos, mas também podemos fornecer serviço vitalício quando você precisar para manter um relacionamento de longo prazo com você.